ہم ہر ایسے منظر نامے کے لئے "تحفظ دباؤ مزاحمت طویل مدتی" تثلیث کا حل فراہم کرنے کے لئے پرعزم ہیں جس میں روٹری مہروں کو تبدیل کرنے کی ضرورت ہوتی ہے۔ 200+ مادی فارمولوں اور ساختی پیٹنٹ کے ذریعہ ، ہم صارفین کو ناکامی کی شرح کو کم کرنے اور ٹی سی او کی اصلاح کو حاصل کرنے میں مدد کرتے ہیں۔ پروڈکٹ ماڈلز کی پوری سیریز بہت متنوع ہے۔ آپ اصل ضروریات کے مطابق انتخاب کرسکتے ہیں ، یا ہم سے روٹری مہروں کو تبدیل کرنے کی تخصیص کرسکتے ہیں۔
RCR101 روٹری کنکال سنگل ہونٹ مہر ، واحد اداکاری ، محوری کھلی نالی کی تنصیب ، جو بڑے پیمانے پر استعمال ہوتی ہے ، زیادہ تر بیرنگ کے لئے حفاظتی عنصر کے طور پر استعمال ہوتی ہے۔
آر سی آر 102 روٹری کنکال ڈبل ہونٹ مہر ، سنگل اداکاری ، ڈسٹ پروف سے معاون ہونٹ ، محوری کھلی نالی کی تنصیب ، وسیع پیمانے پر استعمال ہوتا ہے ، زیادہ تر بیرنگ کے لئے حفاظتی عنصر کے طور پر استعمال ہوتا ہے۔
RCR103 روٹری مہر ، ڈبل اداکاری ، سپورٹ رنگ کے ساتھ ، ہائی پریشر روٹری سگ ماہی کے حالات کے تحت بہتر سگ ماہی کا اثر۔
RCR104 ، RCR105 روٹری مہر ، ڈبل اداکاری ، تنگ نالی ، مستحکم نالی ایمبیڈنگ ، اور دانتوں کی مہر کی سطح۔
RCR106 ، RCR107 V کے سائز کا روٹری مہر ، محوری تحریک ، بڑی لچکدار ماڈیولس ، رگڑ مزاحمت ، دھول ، آلودگی ، پانی کی چھڑکیں ، تیل کی چھڑکیں ، وغیرہ۔
RCR108 روٹری مہر ، واحد اداکاری ، کوئی موسم بہار نہیں ، اندرونی اور بیرونی ہونٹوں کی مداخلت کا تعین مختلف کام کے حالات کے مطابق کیا جاتا ہے۔
آر سی آر 109 او رنگ ، لچکدار رنگ زیادہ تر جامد سگ ماہی یا متحرک سگ ماہی ، لچکدار درجہ حرارت کے درمیانے درجے کے انتخاب کے لئے استعمال ہوتا ہے۔ تفصیلی نالیوں کے ل please ، براہ کرم او رنگ کے نمونے کا حوالہ دیں۔
RCR110 روٹری ٹیٹرافلووروتھیلین مہر شافٹ کے لئے ، ڈبل اداکاری ، تنگ نالیوں کے لئے موزوں ہے۔
RCR111 روٹری ٹیٹرافلووروتھیلین مہر سوراخ کے لئے ، ڈبل اداکاری ، تنگ نالیوں کے لئے موزوں ہے۔
RCR112 روٹری مہر ، ڈبل اداکاری ، تنگ نالی ، چکنا کرنے والے کام کے حالات کے ل suitable موزوں ہے۔
RCR113 روٹری مہر ، ڈبل اداکاری ، سپورٹ رنگ ، مستحکم نالی ایمبیڈنگ کے ساتھ ، بڑے اخراج کے فرق اور دباؤ کی اجازت دیتا ہے ، زیادہ تر کھدائی کے سامان کے گھومنے والے شافٹ پر استعمال ہوتا ہے۔
RCR115 روٹری ٹیٹرافلووروتھیلین مہر شافٹ ، ڈبل اداکاری ، کم رگڑ ، اینٹی سائیڈ ہائی پریشر ، اینٹی ہائی درجہ حرارت کی سنکنرن کے لئے۔
RCR116 روٹری ٹیٹرافلووروتھیلین مہر سوراخ ، ڈبل اداکاری ، کم رگڑ ، اینٹی سائیڈ ہائی پریشر ، اینٹی ہائی درجہ حرارت کی سنکنرن کے لئے۔
RCR117 ، RCR121 روٹری PTFE مہر ، مینڈر اسپرنگ ، واحد اداکاری ، اعلی درجہ حرارت کی سنکنرن مزاحمت ، نسبتا high تیز رفتار اور اعلی دباؤ کے ل suitable موزوں ہے۔
RCR118 اختتام PTFE روٹری مہر ، مینڈر اسپرنگ ، واحد اداکاری ، اعلی درجہ حرارت کی سنکنرن مزاحمت ، زیادہ تر کیمیائی صنعت میں استعمال ہوتا ہے۔
RCR119 روٹری کنکال سنگل ہونٹ مہر ، سنگل اداکاری ، محوری کھلی نالی کی تنصیب ، وسیع پیمانے پر استعمال ہوتی ہے ، زیادہ تر بیرنگ کے لئے حفاظتی عنصر کے طور پر استعمال ہوتی ہے۔
RCR201 ، RCR202 روٹری کنکال ڈبل ہونٹ مہر ، سنگل ایکٹنگ ، جس میں ڈسٹ پروف سے معاون ہونٹ ، محوری کھلی نالی کی تنصیب ، وسیع پیمانے پر استعمال ہوتا ہے ، زیادہ تر بیرنگ کے حفاظتی عنصر کے طور پر استعمال ہوتا ہے۔
RCR203 ، RCR204 روٹری کنکال سے پاک سنگل ہونٹ مہر ، واحد اداکاری ، محوری کھلی نالی فکسچر فکسڈ انسٹالیشن ، زیادہ تر بھاری صنعتوں میں استعمال ہوتا ہے جیسے دھات کاری اور جہاز سازی۔
RCR205 کٹ آف روٹری کنکال سے پاک سنگل ہونٹ مہر ، سنگل ایکٹنگ ، محوری کھلی نالی فکسچر فکسڈ انسٹالیشن ، زیادہ تر بھاری صنعتوں میں استعمال ہوتا ہے جیسے میٹالرجی اور شپ بلڈنگ۔
RCR206 ، RCR207 کٹ آف روٹری فریم لیمل ایک ہونٹ مہر ، سنگل ایکٹنگ ، محوری کھلی نالی فکسچر فکسڈ انسٹالیشن ، زیادہ تر بھاری صنعتوں جیسے دھات کاری اور جہاز سازی میں استعمال ہوتا ہے۔ کم رفتار سگ ماہی کے لئے موزوں ، سگ ماہی میڈیم لتیم پر مبنی چکنائی ہے۔
مصنوعات کی خصوصیات اور ایپلی کیشنز:
اہم درخواستیں
روٹری مہریں موڑنے والے شافٹ کے اختتام سگ ماہی ، گھومنے والی شافٹ سگ ماہی ، کھدائی کرنے والے ، پکڑنے والے ، روٹری جوڑ ، روٹری ڈسٹری بیوٹرز ، اور اس قسم کی مہر اکثر پٹرولیم اور کیمیائی صنعتوں میں استعمال ہوتی ہے۔
فوائد
روٹری مہروں کو تبدیل کرنے میں ایک وسیع رینج ہوتی ہے جس میں وسیع پیمانے پر میڈیا اور درجہ حرارت کی حدود ، اچھ sel ی سگ ماہی کا اثر ، ہائی پریشر مزاحمت ، چھوٹے کراس سیکشنل سائز ، ہائیڈرولک آئل مزاحمت ، کم رگڑ ، اور کوئی چھڑی پرچی کا رجحان نہیں ہوتا ہے۔

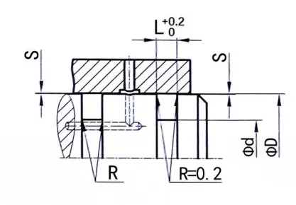
RCR101
آرڈر سائز
φd ...... بیرونی قطر
φd ...... اندرونی قطر
l ...... نالی کی چوڑائی
|
سطح ختم |
r tmax (μm) |
را (μm) |
|
سلائیڈنگ سطح کے ملاپ والے ربڑ/پولیوریتھین مہروں سلائیڈنگ سطح کے ملاپ والے PTFE مہروں |
.52.5
≤2 |
.0.1-0.5
.0.05-0.3 |
|
نالی نیچے نالی کی طرف |
.36.3 ≤15 |
.61.6 ≤3 |
|
ٹی پی پروفائل سپورٹ لمبائی کا تناسب |
50 ٪ -95 ٪ |
|
|
رواداری |
|
|
φd |
F8 |
|
φd |
H8 |
ترتیب دینے کی مثال
ماڈل: RCR101
نالی کا سائز: 100x115x8
مواد: این بی آر/پوم

مہر کی قسم: RCR101 ، RCR102
مین ایپلی کیشن: شافٹ اختتام سگ ماہی کو گھومنے کے لئے موزوں
فوائد: میڈیا کی ایک وسیع رینج ، درجہ حرارت کی وسیع رینج ، اور اچھا سگ ماہی اثر کے لئے موزوں ہے
مواد: پولیوریتھین ، ربڑ/پولی آکسیمیٹیلین
|
مہر نالی کی مثالیں |
مندرجہ ذیل معیاری نالی کے طول و عرض ہیں (سائز کی حد میں کسی بھی سائز کے روٹری مہر تیار کیے جاسکتے ہیں) |
|||||
|
|
|
φd |
φd |
L |
c/s |
|
|
6-59.9 |
φd+12 |
7 |
6 |
|||
|
60-139.9 |
φd+15 |
8 |
7.5 |
|||
|
140-299.9 |
φd+20 |
10 |
10 |
|||
|
300-499.9 |
φd+30 |
12 |
15 |
|||
|
500-800 |
φd+40 |
20 |
20 |
|||
|
> 800 |
φd+50 |
22 |
25 |
|||

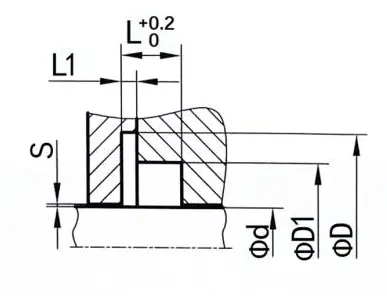
rcr115
آرڈر سائز
φd ...... بیرونی قطر
φd ...... اندرونی قطر
l ...... نالی کی چوڑائی
|
سطح ختم |
r tmax (μm) |
را (μm) |
|
سلائیڈنگ سطح کے ملاپ والے ربڑ/پولیوریتھین مہروں سلائیڈنگ سطح کے ملاپ والے PTFE مہروں |
.52.5
≤2 |
.0.1-0.5
.0.05-0.3 |
|
نالی نیچے نالی کی طرف |
.36.3 ≤15 |
.61.6 ≤3 |
|
ٹی پی پروفائل سپورٹ لمبائی کا تناسب |
50 ٪ -95 ٪ |
|
|
رواداری |
|
|
φd |
F8 |
|
φd |
H8 |
ترتیب دینے کی مثال
ماڈل: RCR115
نالی کا سائز: 100x111x4.2
مواد: PTFE4+NBR

مہر کی قسم: RCR115
مرکزی درخواست: روٹری شافٹ مہروں ، کھدائی کرنے والوں ، پکڑنے والوں ، کنڈا جوڑ کے لئے موزوں۔
فوائد: یہ ہائی پریشر کے خلاف مزاحمت کرسکتا ہے ، اس کا چھوٹا کراس سیکشنل سائز ہے ، ہائیڈرولک تیل کے خلاف مزاحم ہے ، اس میں کم رگڑ ہے اور کوئی چھڑی پرچی کا رجحان نہیں ہے۔
مواد: ٹیٹرافلوورویتھیلین + نائٹریل ربڑ یا فلوروربر
|
مہر نالی کی مثالیں |
مندرجہ ذیل معیاری نالی کے طول و عرض ہیں (سائز کی حد میں کسی بھی سائز کے روٹری مہر تیار کیے جاسکتے ہیں) |
||||||||
|
|
|
φd |
φd |
L |
R |
X |
زیادہ سے زیادہ اخراج کا فرق |
||
|
100 بار |
200 بار |
||||||||
|
6-18.9 |
φd+4.9 |
2.2 |
0.4 |
1.78 |
0.15 |
0.10 |
|||
|
19-37.9 |
φd+7.5 |
3.2 |
0.6 |
2.62 |
0.20 |
0.15 |
|||
|
38-199.9 |
φd+11 |
4.2 |
1.0 |
3.53 |
0.25 |
0.20 |
|||
|
200-255.9 |
φd+15.5 |
6.3 |
1.3 |
5.33 |
0.30 |
0.25 |
|||
|
256-649.9 |
φd+21 |
8.1 |
1.8 |
7.00 |
0.30 |
0.25 |
|||
|
> 650 |
φd+28 |
9.5 |
2.5 |
8.40 |
0.45 |
0.30 |
|||

rcr116
آرڈر سائز
φd ...... بیرونی قطر
φd ...... اندرونی قطر
l ...... نالی کی چوڑائی
|
سطح ختم |
r tmax (μm) |
را (μm) |
|
سلائیڈنگ سطح کے ملاپ والے ربڑ/پولیوریتھین مہروں سلائیڈنگ سطح کے ملاپ والے PTFE مہروں |
.52.5
≤2 |
.0.1-0.5
.0.05-0.3 |
|
نالی نیچے نالی کی طرف |
.36.3 ≤15 |
.61.6 ≤3 |
|
ٹی پی پروفائل سپورٹ لمبائی کا تناسب |
50 ٪ -95 ٪ |
|
|
رواداری |
|
|
φd |
F8 |
|
φd |
H8 |
ترتیب دینے کی مثال
ماڈل: RCR116
نالی کا سائز: 100x89x4.2
مواد: PTFE4+NBR

مہر کی قسم: RCR116
مرکزی درخواست: روٹری شافٹ اینڈ مہروں ، کھدائی کرنے والوں ، پکڑنے والوں ، روٹری جوڑ ، روٹری ڈسٹری بیوٹرز کے لئے موزوں۔
فوائد: یہ میڈیا اور درجہ حرارت کی ایک وسیع رینج کے لئے موزوں ہے ، اس میں سگ ماہی کا اچھا اثر ، چھوٹا کراس سیکشنل سائز ، ہائیڈرولک آئل کے لئے مضبوط مزاحمت ، کم رگڑ ، اور کوئی چھڑی پرچی کا رجحان نہیں ہے۔
مواد: ٹیٹرافلوورویتھیلین + نائٹریل ربڑ یا فلوروربر
|
مہر نالی کی مثالیں |
مندرجہ ذیل معیاری نالی کے طول و عرض ہیں (سائز کی حد میں کسی بھی سائز کے روٹری مہر تیار کیے جاسکتے ہیں) |
||||||||
|
|
|
φd |
φd |
L |
R |
او رنگ |
زیادہ سے زیادہ اخراج کا فرق |
||
|
100 بار |
200 بار |
||||||||
|
8-39.9 |
.dd-4.9 |
2.2 |
0.4 |
1.78 |
0.15 |
0.10 |
|||
|
40-79.9 |
.d-7.5 |
3.2 |
0.6 |
2.62 |
0.20 |
0.15 |
|||
|
80-132.9 |
.d-11.0 |
4.2 |
1.0 |
3.53 |
0.25 |
0.20 |
|||
|
133-329.9 |
.d-15.5 |
6.3 |
1.3 |
5.33 |
0.30 |
0.25 |
|||
|
330-669.9 |
φd-21.0 |
8.1 |
1.8 |
7.00 |
0.30 |
0.25 |
|||
|
70 670 |
φD-28.0 |
9.5 |
2.5 |
8.40 |
0.45 |
0.30 |
|||

rcr117
آرڈر سائز
φd ...... بیرونی قطر
φd1 ...... بیرونی قطر
φd ...... اندرونی قطر
l ...... نالی کی چوڑائی
L1 ...... گروو کی چوڑائی
|
سطح ختم |
r tmax (μm) |
را (μm) |
|
سلائیڈنگ سطح کے ملاپ والے ربڑ/پولیوریتھین مہروں سلائیڈنگ سطح کے ملاپ والے PTFE مہروں |
.52.5
≤2 |
.0.1-0.5
.0.05-0.3 |
|
نالی نیچے نالی کی طرف |
.36.3 ≤15 |
.61.6 ≤3 |
|
ٹی پی پروفائل سپورٹ لمبائی کا تناسب |
50 ٪ -95 ٪ |
|
|
رواداری |
|
|
φd |
F8 |
|
φd |
H8 |
ترتیب دینے کی مثال
ماڈل: RCR117
نالی کا سائز: 100x117.5x110.5x7.1x1.8
مواد: PTFE4+V.

مہر کی قسم: RCR117
مین ایپلی کیشن: شافٹ اختتام سگ ماہی کو گھومنے کے لئے موزوں ، اس قسم کی مہر اکثر پٹرولیم اور کیمیائی صنعتوں میں استعمال ہوتی ہے
فوائد: کم رگڑ ، سنکنرن مزاحمت ، اعلی درجہ حرارت کی مزاحمت ، تیز رفتار کے لئے موزوں
مواد: پی ٹی ایف ای ، سٹینلیس سٹیل بہار
|
مہر نالی کی مثالیں |
مندرجہ ذیل معیاری نالی کے طول و عرض ہیں (سائز کی حد میں کسی بھی سائز کے روٹری مہر تیار کیے جاسکتے ہیں) |
|||||||||
|
|
|
φd |
φd |
fd1 |
L |
L1 |
زیادہ سے زیادہ اخراج کا فرق |
|||
|
20 بار |
100 بار |
200 بار |
||||||||
|
5-19.9 |
φd+9 |
φd+5 |
3.6 |
0.85 |
0.25 |
0.15 |
0.10 |
|||
|
20-39.9 |
φd+12.5 |
φd+7 |
4.8 |
1.35 |
0.35 |
0.20 |
0.15 |
|||
|
40-399.9 |
φd+17.5 |
φd+10.5 |
7.1 |
1.8 |
0.50 |
0.25 |
0.20 |
|||
|
≥400 |
φd+22 |
φd+14 |
9.5 |
2.8 |
0.60 |
0.30 |
0.25 |
|||



















































پتہ
نمبر۔
ٹیلی فون
ای میل