ہماری آر سی ایس سیریز ، پیشہ ورانہ ڈیزائن اور تکنیکی تیاری کے ذریعہ ، پسٹن راڈ مہر ٹرننگ مہروں کی متنوع ضروریات کو پورا کرتی ہے ، جو عام منظرناموں سے لے کر انتہائی کام کے حالات تک عین مطابق حل فراہم کرتی ہے۔
ساختی ڈیزائن کے لحاظ سے ، بنیادی ماڈل استحکام اور استعمال میں آسانی پر مرکوز ہیں: آر سی ایس 101/103 پہلے سے سخت او رنگوں یا معاون ہونٹوں کے ذریعے ایمبیڈنگ استحکام کو بڑھاتا ہے ، خاص طور پر مختصر اسٹروک کے لئے۔ RCS102/104R/117R مواد اور نالی کی مطابقت کو بہتر بنا کر اعلی دباؤ کی حمایت کرتا ہے (جیسے معیاری نالی ہائی پریشر کے منظرناموں کے لئے RCS102R)۔ نیومیٹک سسٹمز کے لئے ، RCS105/205 چکنا تیل کی فلم کو برقرار رکھنے اور چکنا/غیر لیبریکشن ماحول کے مطابق ڈھالنے کے لئے ایک خصوصی ہونٹ ڈیزائن اپناتا ہے۔
روچن مہریں مادی اور عملی جدت پر بھی مرکوز ہیں۔ RCS118/119/124-129 جیسے ماڈل پولیٹ ٹرافلوورویتھیلین (PTFE) یا پولیوریتھین کو مرکزی جسم کے طور پر استعمال کرتے ہیں ، جس میں مینڈر اسپرنگس یا O- رنگوں کے ساتھ مل کر توازن کے لئے کم رگڑ ، اینٹی خشک لباس ، اور سنکنرن کی مزاحمت کو حاصل کرنے کے ل clean ، صاف ستھرا اور اعلی درجہ حرارت کی مزاحمت کی ضروریات کو پورا کیا جاسکتا ہے۔ آر سی ایس 129 آر سی ایس 101 کے ساتھ سگ ماہی کا نظام تشکیل دے سکتا ہے ، جو چلنے والی مشینری اور بھاری ہائیڈرولک آلات کے لئے موزوں ہے۔ RCS126-128 غیر متناسب V- ٹکڑا ڈیزائن کے ذریعے کم دباؤ کی مہر کو بہتر بناتا ہے اور اسے دواسازی اور کیمیائی صنعت کے لئے اپنی مرضی کے مطابق بنایا گیا ہے۔
کام کے پیچیدہ حالات کے ل R ، RCS120/138 اور دیگر ڈبل اداکاری والے مہروں میں سپورٹ رنگ ڈیزائن کو مربوط کیا جاتا ہے ، جو ہائی پریشر اور مسخ کے خلاف مزاحم ہے اور کمپیکٹ نالیوں کے مطابق ڈھالتا ہے۔ آر سی ایس 131 ایک او رنگ کا متبادل ہے ، جو اخراج اور کیمیائی مزاحمت کے خلاف مزاحم ہے ، اور کھانے اور دواسازی کی صنعت کے لئے ترجیحی انتخاب بن گیا ہے۔ اور RCS116/216 ٹائم ٹائم لاگت کو کم کرنے کے لئے حقیقت کی تنصیب کے ذریعے پرانے سلنڈروں کی جلد مرمت کرسکتا ہے۔
آر سی ایس سیریز صارفین کو ہائی پریشر ، تیز رفتار ، سنکنرن میڈیا اور خصوصی صنعت کے چیلنجوں سے نمٹنے میں مدد کرتی ہے ، اور سامان کی وشوسنییتا اور زندگی کو بہتر بناتی ہے۔
مصنوعات کی خصوصیات اور ایپلی کیشنز:
پسٹن راڈ مہر ٹرننگ مہر ہائیڈرولک سلنڈروں اور سلنڈروں ، انجینئرنگ گاڑیاں ، زرعی مشینری ، کرینیں اور سمندری ہائیڈرولک آلات ، مشین ٹولز کے لئے موزوں ہیں۔
بھاری صنعتی مشینری ، پریس ، کیمیائی صنعت ، فاسٹ آئل سلنڈر اور پوزیشننگ مشینری فوڈ انڈسٹری ، دواسازی کی صنعت میں استعمال کیا جاتا ہے۔
فوائد
پسٹن راڈ مہر ٹرننگ مہروں کو نالی میں اسٹفلی طور پر سرایت کیا جاتا ہے ، جس میں درجہ حرارت کی حد ، بہترین جامد اور متحرک سگ ماہی کی کارکردگی ، اور متحرک حالات میں تیل کی بازیابی کی مضبوط صلاحیت مضبوط ہوتی ہے۔ کم رگڑ ، کوئی رینگنے والا ، اعلی لباس مزاحمت ، کم جامد اور رگڑ کی اقدار ، صرف اینٹی اینٹی جلدی کارکردگی ، اچھی تھرمل چالکتا ، اور درجہ حرارت کی ایک وسیع رینج۔
پرانی پسٹن کی سلاخوں کے لئے موزوں ، کھلی قسم آسانی سے رینگنے کو انسٹال کرنے میں آسان ہے۔

RCS101
آرڈر سائز
φd ...... بیرونی قطر
φd ...... اندرونی قطر
l ...... نالی کی چوڑائی
| سطح ختم | r tmax (μm) | را (μm) |
| سلائیڈنگ سطح کے ملاپ والے ربڑ/پولیوریتھین مہروں سلائیڈنگ سطح کے ملاپ والے PTFE مہروں | .52.5 ≤2 | .0.1-0.5 .0.05-0.3 |
| نالی نیچے نالی کی طرف | .36.3 ≤15 | .61.6 ≤3 |
| ٹی پی پروفائل سپورٹ لمبائی کا تناسب | 50 ٪ -95 ٪ |
|
| رواداری | |
| φd | F8 |
| φd | H10 |
ترتیب دینے کی مثال
ماڈل: RCS101
نالی کا سائز: 100x115x10
مواد: RC-PU-H

مہر کی قسم: RCS101 ، RCS102 ، RCS103 ، RCS104 ، RCS205 ، RCS106 ، RCS107 ، RCS108 ، RCS117 ، RCS121
اہم درخواست: ہائیڈرولک اور نیومیٹک سلنڈروں کے لئے موزوں
فوائد: نالی میں مستحکم سرایت ، وسیع درجہ حرارت کی حد ، عمدہ جامد اور متحرک سگ ماہی کی کارکردگی ، متحرک حالات میں تیل کی مضبوطی کی مضبوط صلاحیت۔
مواد: پولیوریتھین ، ربڑ
| مہر نالی کی مثالیں | مندرجہ ذیل معیاری نالی کے طول و عرض ہیں (سائز کی حد میں کسی بھی سائز کی دھول مہریں تیار کی جاسکتی ہیں) | ||||||||
![]() |
![]() |
φd | φd | L | c/s | زیادہ سے زیادہ اخراج کا فرق | |||
| 100 بار | 250 بار | 400 بار | |||||||
| 5-24.9 | φd+8 | 6.3 | 4 | 0.50 | 0.35 | 0.25 | |||
| 25-49.9 | φd+10 | 8 | 5 | 0.50 | 0.35 | 0.25 | |||
| 50-149.9 | φd+15 | 10 | 7.5 | 0.50 | 0.35 | 0.25 | |||
| 150-229.9 | φd+20 | 14 | 10 | 0.50 | 0.35 | 0.25 | |||
| 300-499.9 | φd+25 | 17 | 12.5 | 0.50 | 0.35 | 0.25 | |||
| 500-699.9 | φd+30 | 25 | 15 | 0.50 | 0.35 | 0.25 | |||
| > 700 | φd+40 | 32 | 20 | 0.60 | 0.40 | 0.30 | |||
| > 1000 | φd+50 | 40 | 25 | 0.70 | 0.50 | 0.40 | |||

RCS109
آرڈر سائز
φd ...... بیرونی قطر
φd ...... اندرونی قطر
l ...... نالی کی چوڑائی
|
سطح ختم |
r tmax (μm) |
را (μm) |
|
سلائیڈنگ سطح کے ملاپ والے ربڑ/پولیوریتھین مہروں سلائیڈنگ سطح کے ملاپ والے PTFE مہروں |
.52.5
≤2 |
.0.1-0.5
.0.05-0.3 |
|
نالی نیچے نالی کی طرف |
.36.3 ≤15 |
.61.6 ≤3 |
|
ٹی پی پروفائل سپورٹ لمبائی کا تناسب |
50 ٪ -95 ٪ |
|
|
رواداری |
|
|
φd |
F8 |
|
φd |
H10 |
ترتیب دینے کی مثال
ماڈل: RCS109
نالی کا سائز: 100x115.1x6.3
مواد: PTFE3+NBR

مہر کی قسم: RCS109
اہم درخواست: انجینئرنگ گاڑیاں ، زرعی مشینری ، کرینیں ، سمندری ہائیڈرولک آلات ، مشین ٹولز۔
فوائد: کم رگڑ ، کوئی رینگنا ، اونچی لباس مزاحمت ، صرف اینٹی اینٹی ایکسپروژن کی کارکردگی ، اچھی تھرمل چالکتا ، مستحکم سرایت کرنے والی نالی ، درجہ حرارت کی وسیع حد۔
مواد: ٹیٹرافلووروتھیلین ، نائٹریل ربڑ یا فلورین ربڑ
|
مہر نالی کی مثالیں |
مندرجہ ذیل معیاری نالی کے طول و عرض ہیں (سائز کی حد میں کسی بھی سائز کی دھول مہریں تیار کی جاسکتی ہیں) |
||||||||
|
|
|
φd |
φd |
L |
c/s |
زیادہ سے زیادہ اخراج کا فرق |
|||
|
100 بار |
200 بار |
400 بار |
|||||||
|
5-7.9 |
φd+4.9 |
2.2 |
2.45 |
0.30 |
0.20 |
0.15 |
|||
|
8-18.9 |
φd+7.3 |
3.2 |
3.64 |
0.40 |
0.25 |
0.15 |
|||
|
19-37.9 |
φd+10.7 |
4.2 |
5.35 |
0.40 |
0.25 |
0.20 |
|||
|
38-199.9 |
φd+15.1 |
6.3 |
7.55 |
0.50 |
0.30 |
0.20 |
|||
|
200-255.9 |
φd+20.5 |
8.1 |
10.25 |
0.60 |
0.35 |
0.25 |
|||
|
256-649.9 |
φd+24 |
8.1 |
12 |
0.60 |
0.35 |
0.25 |
|||
|
650-1000 |
φd+27.3 |
9.5 |
13.65 |
0.70 |
0.50 |
0.30 |
|||
|
> 1000 |
φd+38 |
13.8 |
19 |
1.00 |
0.70 |
0.50 |
|||

RCS110-112
آرڈر سائز
φd ...... بیرونی قطر
φd ...... اندرونی قطر
l ...... نالی کی چوڑائی
|
سطح ختم |
r tmax (μm) |
را (μm) |
|
سلائیڈنگ سطح کے ملاپ والے ربڑ/پولیوریتھین مہروں سلائیڈنگ سطح کے ملاپ والے PTFE مہروں |
.52.5
≤2 |
.0.1-0.5
.0.05-0.3 |
|
نالی نیچے نالی کی طرف |
.36.3 ≤15 |
.61.6 ≤3 |
|
ٹی پی پروفائل سپورٹ لمبائی کا تناسب |
50 ٪ -95 ٪ |
|
|
رواداری |
|
|
φd |
F8 |
|
φd |
H10 |
ترتیب دینے کی مثال
ماڈل: RCS110-112
نالی کا سائز: 100x120x32
مواد: RC-PU-H+POM

مہر کی قسم: RCS110-112 ، RCS126-128
مرکزی درخواست: بھاری صنعتی مشینری کے لئے ، پریس
فوائد: پرانے پسٹن سلاخوں کے لئے موزوں ، کھلی قسم کریپر انسٹال کرنے میں آسان ہے
مواد: پولیوریتھین ، پولی آکسیمیٹیلین ، نایلان
|
مہر نالی کی مثالیں |
مندرجہ ذیل معیاری نالی کے طول و عرض ہیں (سائز کی حد میں کسی بھی سائز کی دھول مہریں تیار کی جاسکتی ہیں) |
|||||
|
|
|
φd |
φd |
L |
c/s |
|
|
10-39.9 |
φd+10 |
16 |
5 |
|||
|
40-74.9 |
φd+15 |
25 |
7.5 |
|||
|
75-149.9 |
φd+20 |
32 |
10 |
|||
|
150-199.9 |
φd+25 |
40 |
12.5 |
|||
|
200-299.9 |
φd+30 |
50 |
15 |
|||
|
300-599.9 |
φd+40 |
63 |
20 |
|||
|
> 600 |
φd+40 |
80 |
20 |
|||
|
> 1000 |
φd+50 |
100 |
25 |
|||

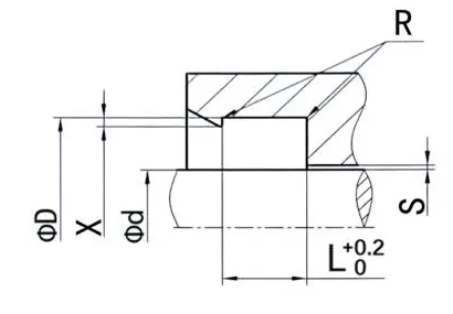
RCS119
آرڈر سائز
φd ...... بیرونی قطر
φd ...... اندرونی قطر
l ...... نالی کی چوڑائی
|
سطح ختم |
r tmax (μm) |
را (μm) |
|
سلائیڈنگ سطح کے ملاپ والے ربڑ/پولیوریتھین مہروں سلائیڈنگ سطح کے ملاپ والے PTFE مہروں |
.52.5
≤2 |
.0.1-0.5
.0.05-0.3 |
|
نالی نیچے نالی کی طرف |
.36.3 ≤15 |
.61.6 ≤3 |
|
ٹی پی پروفائل سپورٹ لمبائی کا تناسب |
50 ٪ -95 ٪ |
|
|
رواداری |
|
|
φd |
F8 |
|
φd |
H10 |
ترتیب دینے کی مثال
ماڈل: RCS119
نالی کا سائز: 100x109.4x7.1
مواد: PTFE2+NBR

مہر کی قسم: RCS119
اہم اطلاق: کیمیائی صنعت ، تیز سلنڈر اور پوزیشننگ مشینری۔ فوڈ انڈسٹری ، دواسازی کی صنعت۔
فوائد: اعلی درجہ حرارت اور مختلف کیمیائی میڈیا کے خلاف مزاحم ، کم رگڑ گتانک ، کوئی رینگنا ، اچھی خشک رگڑ کی خصوصیات ، کم جامد اور رگڑ اقدار۔
مواد: PTFE+پتی بہار
|
مہر نالی کی مثالیں |
مندرجہ ذیل معیاری نالی کے طول و عرض ہیں (سائز کی حد میں کسی بھی سائز کی دھول مہریں تیار کی جاسکتی ہیں) |
|||||||||
|
|
|
φd |
φd |
L |
R |
X |
زیادہ سے زیادہ اخراج کا فرق |
|||
|
100 بار |
200 بار |
400 بار |
||||||||
|
10-19.9 |
D+4.5 |
3.6 |
0.4 |
0.6 |
0.15 |
0.10 |
0.07 |
|||
|
20-39.9 |
D+6.2 |
4.8 |
0.6 |
0.7 |
0.20 |
0.15 |
0.08 |
|||
|
40-119.9 |
D+9.4 |
7.1 |
0.8 |
0.8 |
0.25 |
0.20 |
0.10 |
|||
|
120-1000 |
D+12.2 |
9.5 |
0.8 |
0.9 |
0.30 |
0.25 |
0.12 |
|||
|
> 1000 |
D+19.0 |
15 |
0.8 |
0.9 |
0.50 |
0.40 |
0.20 |
|||



















































































پتہ
نمبر۔
ٹیلی فون
ای میل